管理者面对各种事务,如果不懂流程,全靠主观判断,不仅事倍功半,而且必然状况百出。流程是管理的利器,不会用流程做管理就不算是合格的管理者!流程有哪些呢?不必着急,十大企业管理流程都在这儿了!收好不谢!

1、人事管理流程
现代企业人事管理工作的主要内容有人力资源规划、员工招聘与任用、员工培训、薪酬福利、绩效考核与奖惩、考勤与休假、人事档案、劳动合同管理等多方面。






2、财务管理流程
财务部门是企业的核心部门之一,财务部各项工作的执行效果直接影响着管理者能否做出正确决策,同时还影响企业其他部门的工作进程。






3、市场调研管理流程
市场调研与预测是现代市场营销活动地重要组成部分,作为市场营销活动的起点,有益于企业做出科学决策。因此,作为企业管理者,应重视并建立起一套有效的市场调研流程。




4、产品研发管理流程
优秀的产品开发流程可以缩短产品开发周期,提高产品开发生产率,提高产品生命周期收入,减少开发浪费,提升市场竞争力,并能提高研发资源的利用率,降低研发成本。

5、采购管理流程
采购管理包括采购计划、采购申请单的下达、执行、到货接收、检验入库到采购结算的全过程。




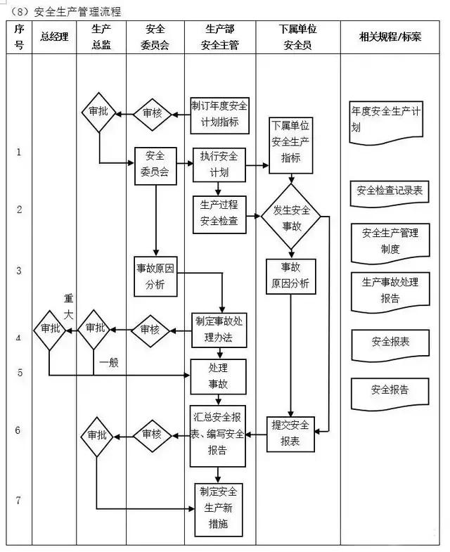
6、生产管理流程
建立完善生产管理流程,可以有效地解决这些问题,减少生产管理工作中不必要的环节,提供生产效率,进而提升企业竞争力。






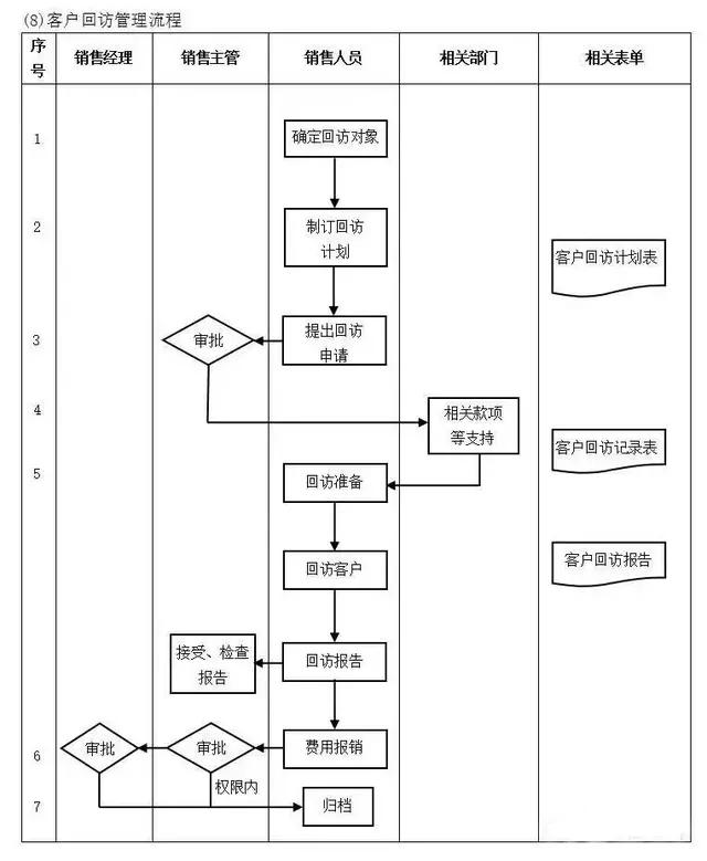
7、销售管理流程
销售流程是整个企业流程的一个部分,上接市场推广流程(客户),下连与订单管理流程(企业内部)。







8、客服管理流程
客户服务管理贯穿企业管理的始终,其大致可以分为3个阶段:售前(产品咨询)、售中(客户体验)和售后(投诉、客户关系维护、客户信息和客户档案管理等)。







9、行政管理流程
合理科学地进行行政管理,建立优秀的行政管理工作流程,才能有效保证各部门持续正常运转。






10.仓库管理流程
仓库物料的科学管理,有助于合理使用,减少浪费,降低成本。




本作品(图文、音视频)由用户自行上传分享,仅供网友学习交流。若您的权利被侵害,请联系 yu.jianchun@qq.com
